TÍNH TOÁN CHO BẢN SÀN CHỊU TẢI TRỌNG TẬP TRUNG
Trong thiết kế kết cấu xây dựng, bản sàn là một phần không thể thiếu, chịu tác dụng của nhiều loại tải trọng khác nhau, đặc biệt là tải trọng tập trung. Tải trọng tập trung thường xuất hiện khi có một hoặc một nhóm tải trọng lớn tập trung vào một vị trí cụ thể trên bản sàn, ví dụ như khi có máy móc hoặc các thiết bị nặng được đặt trên sàn. Việc tính toán chính xác để đảm bảo an toàn và ổn định của sàn là rất quan trọng.
Trong bài viết này, chúng ta sẽ hướng dẫn cách tính toán bản sàn chịu tải trọng tập trung, bao gồm các bước tính toán, phương pháp xác định nội lực, ứng suất, và kiểm tra độ bền của sàn.

1. Khái niệm về bản sàn và tải trọng tập trung
-
Bản sàn: Là một thành phần kết cấu trong các công trình xây dựng, có chức năng truyền tải trọng từ các yếu tố trên sàn xuống các bộ phận chịu lực dưới sàn như cột hoặc tường. Bản sàn có thể được làm bằng bê tông cốt thép, bê tông đúc sẵn hoặc thép, tùy vào yêu cầu của công trình.
-
Tải trọng tập trung: Là tải trọng mà tác động tại một điểm cố định trên bản sàn. Tải trọng này có thể là trọng lượng của một thiết bị, vật liệu, hoặc một đối tượng nào đó có trọng lượng lớn, được đặt lên sàn mà không phân bổ đều trên bề mặt.
Trong trường hợp này, bản sàn chịu tác dụng của tải trọng tập trung, các kết quả tính toán sẽ chủ yếu tập trung vào việc xác định ứng suất và độ bền của sàn tại vị trí chịu tải.
2. Các yếu tố ảnh hưởng đến tính toán bản sàn
Trước khi tiến hành tính toán, cần phải xác định các yếu tố ảnh hưởng đến bản sàn, bao gồm:
-
Kích thước và hình dạng bản sàn: Kích thước sàn ảnh hưởng đến độ bền và độ cứng của bản sàn.
-
Loại vật liệu: Loại vật liệu của sàn (bê tông cốt thép, bê tông nhẹ, thép, v.v.) sẽ quyết định khả năng chịu lực của bản sàn.
-
Tải trọng tác động: Tải trọng tập trung có thể thay đổi về cường độ và vị trí trên sàn.
-
Điều kiện biên của bản sàn: Điều kiện biên của bản sàn sẽ quyết định các mốc điểm cố định và tự do trong bài toán tính toán, chẳng hạn như sàn có thể được hỗ trợ trên các cột hoặc tường.
3. Các cách tính toán bản sàn chịu tải trọng tập trung
1. Cách 1
Bước 1: Xác định tải trọng và sơ đồ chịu tải
Đầu tiên, bạn cần xác định các thông số về tải trọng tác động lên bản sàn. Trong trường hợp tải trọng tập trung, tải trọng PPP sẽ tác động vào một điểm cụ thể trên sàn. Nếu tải trọng là một lực tập trung, sơ đồ tính toán sẽ là một tải trọng tác dụng tại một điểm hoặc một nhóm điểm.
-
Giả sử tải trọng tập trung có giá trị PPP, tác dụng tại điểm A trên sàn.
-
Điều kiện biên có thể là sàn hỗ trợ tựa cố định, bán cố định hoặc tựa tự do. Định rõ cách thức sàn chịu tải và các điểm tựa là rất quan trọng.
Bước 2: Tính toán mô men uốn và lực cắt
-
Mô men uốn tại điểm chịu tải: Khi tải trọng tập trung tác dụng vào bản sàn, nó sẽ gây ra mô men uốn tại điểm chịu lực. Mô men uốn MMM tại điểm gần tải trọng có thể tính bằng công thức đơn giản:
M=P⋅l
Trong đó:
-
M là mô men uốn tại điểm chịu tải.
-
P là tải trọng tập trung.
-
l là khoảng cách từ điểm chịu tải đến điểm tựa gần nhất.
Lưu ý rằng nếu tải trọng tập trung ở vị trí không phải là chính giữa bản sàn, mô men uốn sẽ khác nhau tại các điểm khác nhau trên bản sàn.
-
Lực cắt tại điểm chịu tải: Lực cắt tại các vị trí của sàn có thể tính toán dựa trên tải trọng phân bố và các điểm hỗ trợ. Khi có tải trọng tập trung, lực cắt tại vị trí này có thể tính bằng:
V=P
Trong đó: V là lực cắt tại điểm tác động của tải trọng.

Bước 3: Kiểm tra ứng suất và khả năng chịu lực của sàn
Sau khi tính toán mô men uốn và lực cắt, chúng ta cần kiểm tra khả năng chịu lực của bản sàn, tức là kiểm tra ứng suất trong bê tông và thép cốt.
-
Ứng suất uốn: Ứng suất uốn tại vị trí chịu tải có thể tính bằng công thức:
σ=M/S
Trong đó:
-
σ là ứng suất uốn.
-
M là mô men uốn.
-
S là mô men kháng uốn của tiết diện sàn, tính theo công thức S = (b⋅h2)/6
Trong đó: b là chiều rộng sàn và hhh là chiều cao của tiết diện bê tông.
-
Ứng suất cắt: Ứng suất cắt tại các vị trí có thể tính bằng công thức: τ=V/A
Trong đó:
-
τ là ứng suất cắt.
-
V là lực cắt.
-
A là diện tích mặt cắt của bản sàn.
Khi tính toán ứng suất, bạn cần so sánh với ứng suất giới hạn của vật liệu để xác định xem bản sàn có đủ khả năng chịu tải hay không.
Bước 4: Kiểm tra khả năng chịu lực của thép cốt trong sàn
Khi có sự xuất hiện của tải trọng tập trung, thép cốt trong sàn phải đủ cường độ để chịu được các ứng suất uốn và cắt. Thép cốt có thể được tính toán bằng công thức sau:
As = M/(fy⋅d)
Trong đó:
-
As là diện tích thép cốt cần thiết.
-
fy là cường độ chịu kéo của thép.
-
d là chiều cao hiệu dụng của bản sàn (chiều cao từ mặt dưới của sàn đến mặt cốt thép chịu kéo).

Bước 5: Tính toán độ lún của sàn
Đối với các sàn có tải trọng tập trung lớn, bạn cần tính toán độ lún của sàn để đảm bảo rằng sự lún của sàn không vượt quá giới hạn cho phép, có thể gây ảnh hưởng đến sự ổn định của công trình. Độ lún có thể được tính bằng công thức đàn hồi:
δ = (P⋅l3)/48⋅E⋅I
Trong đó:
-
δ là độ lún của sàn.
-
E là mô đun đàn hồi của vật liệu sàn.
-
I là moment quán tính của tiết diện sàn.
2. Cách 2
Tải trọng tập trung là tải trọng tác dụng trên 1 diện tích bé. Thông thường các tải trọng trên bản là các tải trọng tập trung như ở chân bàn, chân tủ,... Tuy vậy khi có nhiều tải trọng tập trung đặt gần nhau, giá trị không lớn thì có thể xem là tải trọng phần bó đều để tính toán.
Khi trên mặt bản có các tải trọng tập trung giá trị lớn, đặt ở vị trí bất lợi thì nên làm dầm để trực tiếp đỡ tải trọng đó.
Chỉ khi xét thấy không phải làm dầm, riêng bản có thể chịu được tải trọng tập trung đó thì mới tính toán để bản chịu tải trọng tập trung. Lúc này trong nhiều trường hợp có thể đổi tải trọng tập trung F thành tải trọng phần bố đều tương đương f để tính toán với nguyên tắc momen do f gây ra không nhỏ hơn mômen do F.
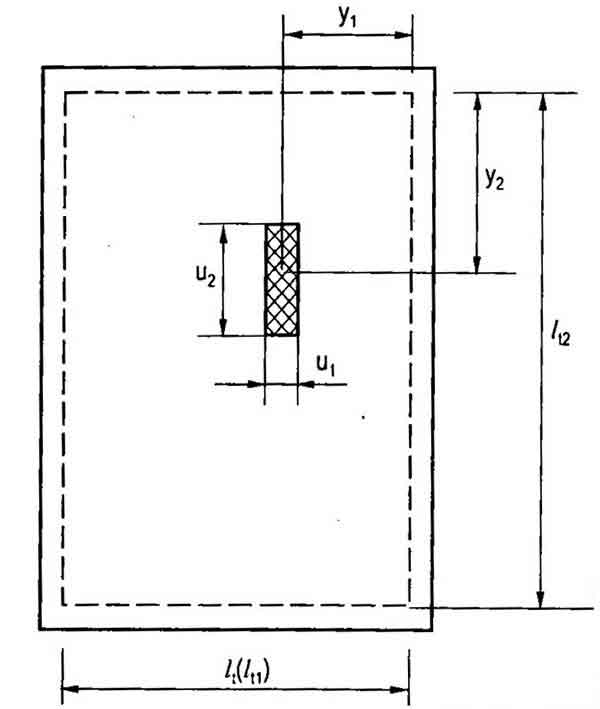
Giả sử ta gọi:
-
F: Là tổng tải trọng tập trung đặt trên diện tích a1*a2.
-
a1: Theo phương nhịp tính taosn Lt (bản 1 phương) hoặc theo phương cạnh ngắn Lt1 (bản 2 phương).
-
a2: Theo phương vuông góc với Lt hoặc theo phương Lt2.
-
Đặt y1, y2 là khoảng cách từ trọng tâm diện tích đặt tải a1*a2 đến cạnh bản gần hơn. y1<=0,5Lt1, y2<=0,5.Lt2.
Ta sẽ có công thức tính quy đổi tải trọng phân bố đều tương đương f từ tải trọng tập trung F là:

k1, k2: Là các hệ số phụ thuộc vào vị trí đặt lực F và kích thước a1, a2 được xác định theo loại bản.
Ô bản một phương (Lt2 > 2.Lt1)

Đồng thời lấy k1 >=0,25.

Lấy C2 bằng giá trị bé hơn trong hai giá trị: y1 và y2 – 0,5u2.

Lấy d2 bằng giá trị bé hơn trong hai giá trị: y1 và Lt2 – y2 – 0,5.u2.

Ô bản hai phương (Lt2 <= 2.Lt1)

Đồng thời lấy k1 >= 0,25.

Đồng thời lấy k2 >= 1.
Việc tính toán bản sàn chịu tải trọng tập trung rất quan trọng trong quá trình thiết kế kết cấu để đảm bảo an toàn và độ bền của công trình. Bằng cách tính toán mô men uốn, lực cắt, ứng suất, và kiểm tra độ bền của vật liệu, bạn có thể đánh giá được khả năng chịu tải của sàn và đưa ra phương án thiết kế hợp lý. Quá trình này không chỉ giúp tối ưu hóa việc sử dụng vật liệu mà còn đảm bảo công trình sẽ ổn định trong suốt vòng đời sử dụng.
Hy vọng bài viết này sẽ giúp bạn hiểu rõ hơn về phương pháp tính toán bản sàn chịu tải trọng tập trung. Nếu bạn có bất kỳ câu hỏi hoặc cần thêm thông tin chi tiết, đừng ngần ngại liên hệ!
GIỚI THIỆU ĐƠN VỊ CUNG CẤP DỊCH VỤ TƯ VẤN THIẾT KẾ & THI CÔNG UY TÍN
Tầm quan trọng của các đơn vị thi công là không thể phủ nhận, uy tín của họ sẽ đảm bảo chất lượng và tính thẩm mỹ cho công trình của bạn. Hiện nay, có rất nhiều đơn vị cung cấp dịch vụ thiết kế và thi công để đáp ứng nhu cầu xây dựng ngày càng tăng cao tại nước ta. Do đó, việc tìm kiếm một đơn vị uy tín không phải là điều dễ dàng và đòi hỏi bạn phải dành thời gian tìm hiểu. Trong quá trình lựa chọn, bạn cần tìm hiểu thật kỹ và đảm bảo rằng đơn vị đi cùng phải có chuyên môn cao, nhiều năm kinh nghiệm, có hợp đồng ký kết rõ ràng, chi phí minh bạch,... Để giúp khách hàng tiết kiệm thời gian tìm kiếm, Công ty TNHH Đầu tư Xây dựng Hưng Nghiệp Phú tự tin rằng sẽ là sự lựa chọn tốt nhất dành cho bạn.

Công ty TNHH Đầu tư Xây dựng Hưng Nghiệp Phú với sứ mệnh cung cấp các giải pháp và dịch vụ tốt nhất, xây dựng cộng đồng thịnh vượng cùng khách hàng, Hưng Nghiệp Phú đang từng bước khẳng định thương hiệu của mình thông qua sự hợp tác chân thành, với đội ngũ lãnh đạo có năng lực đạo đức, sáng tạo, chuyên môn cao và tầm nhìn chiến lược. Hưng Nghiệp Phú sở hữu đội ngũ nhân viên lành nghề, trình độ cao sẽ mang đến cho khách hàng những công nghệ chất lượng tốt nhất.
Công ty TNHH Đầu tư Xây dựng Hưng Nghiệp Phú - chuyên thi công các công trình dân dụng và công nghiệp. Chúng tôi mong muốn được đồng hành cùng khách hàng trong các dự án xây dựng cũng như các thủ tục liên tục như sơ đồ quy hoạch, xin giấy phép xây dựng, hoàn thiện thủ tục, xin cấp chứng chỉ phòng cháy chữa cháy,... Nếu bạn có bất kỳ thắc mắc nào hoặc đang có nhu cầu thiết kế, hoàn thiện thủ tục, hãy liên hệ ngay với chúng tôi để được tư vấn miễn phí!
>>> Xem thêm:
_____________________
THÔNG TIN LIÊN HỆ:
Facebook: Công ty TNHH Đầu tư Xây dựng Hưng Nghiệp Phú (興業富)
Đường dây nóng: 1800.3368 (Miễn phí)
Trang web: xaydunghungnghiepphu.com
Gmail: kinhdoanh01@xaydunghungnghiepphu.com
Địa chỉ: Số 2034D, tổ 22, Kp. Phước Thái, P. Tân Khánh, TP. Hồ Chí Minh
------
Nguồn: Tổng hợp từ Internet
